Årlig service 2012 (2011)
Dax för årsservice 2011
Ordlista
Flytande kondensering= Kalla sida = Varma sidan=
Manual till värmepump Bosch EHP 17 LW
Manual till Bosch värmepump. Innehåller Beskrivning av basfunktioner, extrafunktioner och skötsel.
Fasföljdsfel – stopp
9 Februari 2011 Fel: Värmepump hade stannat med följande felmeddelande. Fasföljdsfel Okulärbesiktning: Vid en snabb kontroll på varmvattenberedare, så visade tanken på en temperatur av 53 grader. dvs över inställd temperatur. Men i övrigt inget onormalt. Åtgärd: Eftersom ingen annat visade på fel, så gjorde jag en reset av systemet genom att slå av … Läs mer
Fasföljdsfel
Den 4 Februari så stannade värmepumpen med följande felmeddelande. Fasföljdsfel Eftersom inget var synligt som kunde ha orsakat felet så gjordes en reset av systemet genom att helt enkelt slå av huvudbrytaren och återstarta systemet. Vid återstart fungerade systemet som vanligt.
Årsservice 2010: OK
100816: Årsservice Kontroll enligt instruktion. Inget avvikande utan allt såg bra ut. //lars
Årsservice 2009 – OK
090720: Årsservice Kontroll enligt instruktion. Inget avvikande utan allt såg bra ut. //lars
Installation klar
2008-10-01: Värmepump installerad och idraftsatt av Skånsk Rörentreprenad AB, Lennart ??
En ide föds!
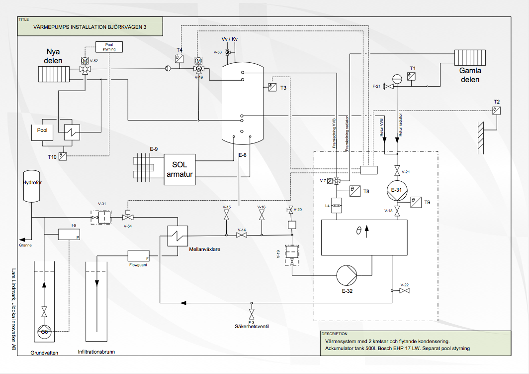
Skulle man inte kunna bygga om värmesystemet såhär. Skapa 2 reglerkretsar så att det går att ha 2 olika temperaturer i kretsarna. Krets 1 som är den gamla delen av huset och som styrs av värmepumpens inbyggda styrsystem med s.k flytande kondensering. Och Krets 2 som ska styras av en separat reglerventil. Fördelar: Detta … Läs mer